有问题吗?
雷竞技newbee官网赞助商技术顾问为您服务!
电话:0512-57908019
邮箱:ksdsv_ye@126.com
技术支持:13338056190

- 气动马达请加微信咨询

- 气动搅拌机请加微信咨询

有问题吗?
雷竞技newbee官网赞助商技术顾问为您服务!
电话:0512-57908019
邮箱:ksdsv_ye@126.com
技术支持:13338056190


活塞式气动马达是以压缩空气为工作介质的原动机,它是采用压缩气体的膨胀作用,把压力能转换为机械能的动力装 置,其中活塞式气动马达具有耗气量低、扭矩大、噪音低、免加油、使用寿命长等优点。
1、使用压缩空气为动力,防爆,不产生静电、火花。
2、可以无级调速,马达的转速通过供气的压力,流量调节。
3、无超载危险,马达负载过大,不会对马达本身产生损毁,本体温度也不会上升。
4、可以长时间满载连续工作。
5、双向旋转,可实现正逆转功能
6、操作方便,维护检修简单
咨询热线:0512-57908019


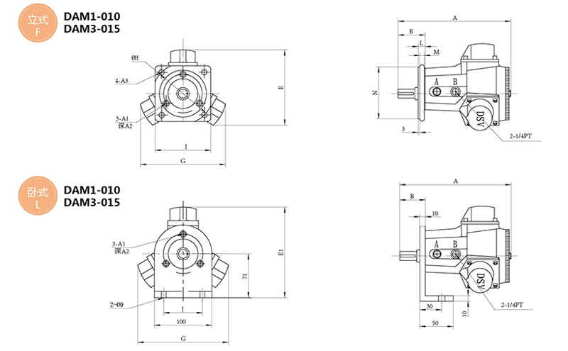
活塞式气动马达安装方式:


活塞式气动马达安装尺寸
DAM3-015F


日标活塞式气动马达加工生产部分零件

活塞式气动马达工作原理:

对于活塞式气动马达,活塞(2)与轴(4)通过连杆(3)联接,压缩空气从A气口(5)进入,通过与轴上的配气阀套供给气缸当压缩被供应,活塞推动曲柄从而获得旋转力,反之B进气时,A为排气口,轴按逆时针旋转。轴按顺时针旋转,此时B气口成为排气口
气动马达防震包装,让你的宝贝一路上更安心




叶片式气动马达生产车间一角

气动马达组装部

气动马达仓库 气动马达壳体

测功机-气动马达功率扭力技术参数检测

气动马达组装部

气动马达性能检测

活塞式气动马达1个月包换,3年全国联保

专注raybet电竞官网行业15年,大品牌有保障

500强企业之选,服务客户超过10000国内外企业




咨询热线
0512-57908019
售后咨询

截图发销售,享马达九五折优惠

抖音二维码