有问题吗?
雷竞技newbee官网赞助商技术顾问为您服务!
电话:0512-57908019
邮箱:ksdsv_ye@126.com
技术支持:13338056190

- 气动马达请加微信咨询

- 气动搅拌机请加微信咨询

有问题吗?
雷竞技newbee官网赞助商技术顾问为您服务!
电话:0512-57908019
邮箱:ksdsv_ye@126.com
技术支持:13338056190


1. 活塞式微型s10竞猜雷竞技特点(功率由 0.20KW 到1.5KW,转速由 24RPM 到 990RPM)
2. 活塞式微型s10竞猜雷竞技所配的减速机为行星减速机,它相对其他减速机具有高刚性,高精度,高传动 效率(单级在 97%-98%),高的扭矩/体积比等特点。行星减速机内部齿轮采用20CvMnT 渗碳淬火和磨齿具有体积小、重量轻,承载能力高,使用寿命长、运转平稳,噪声低、输出扭矩大,速比大、效率高、性能安全的特点。兼具功率分流、多齿啮合独用的特性, 是一种具有广泛通用性的 活塞式微型s10竞猜雷竞技。
3.适用于对安装体积要求较为严格的场合。
咨询热线:0512-57908019


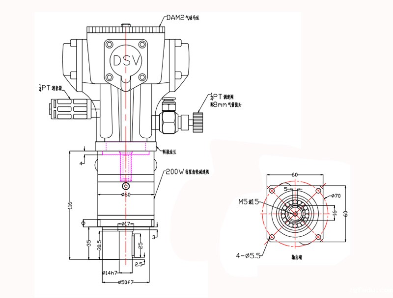
DAM2-活塞式微型s10竞猜雷竞技平面尺寸图:

行星减速机性能表 PERFORMANCE(输入转速为3000rpm时)











叶片式气动马达生产车间一角

气动马达组装部

气动马达仓库 气动马达壳体

测功机-气动马达功率扭力技术参数检测

气动马达组装部

气动马达性能检测

活塞式气动马达1个月包换,3年全国联保

专注raybet电竞官网行业15年,大品牌有保障

500强企业之选,服务客户超过10000国内外企业




咨询热线
0512-57908019
售后咨询

截图发销售,享马达九五折优惠

抖音二维码